+7 (912)-751-33-24Заказать звонок
Заказать звонок

Оставьте Ваше сообщение и контактные данные и наши специалисты свяжутся с Вами в ближайшее рабочее время для решения Вашего вопроса.

Ваш телефон
Ваш телефон*
Ваше имя
Ваше имя

* - Поля, обязательные для заполнения

Сообщение отправлено
Ваше сообщение успешно отправлено. В ближайшее время с Вами свяжется наш специалист
Закрыть окно
arbatex@list.ru
Каталог товаров
Подписка на новости магазина

Подпишитесь на рассылку и получайте свежие новости и акции нашего магазина.

Описание товара:

Силовой модуль МДТ4-80-8 применяется в выпрямительных мостах, в регуляторах переменного тока, для управления двигателем постоянного тока, электротехнической аппаратуре.
1 000 руб. / шт Цена не является конечной и требует уточнения у менеджера.
Загрузка
Рассчитываем стоимость доставки
Пожалуйста подождите, рассчет займет немного времени

Описание товара

Описание силового модуля МДТ4-80-8


К преимуществам силового модуля МДТ4-80-8 относят возможность компоновки в одном корпусе силовых кристаллов, систем управления и датчиков, что значительно повышает как эффективность использования пространства, так и универсальность самого узла.
У МДТ4-80-8 силовые и управляющие выводы изолированы от металлического основания.
Также у силового модуля МДТ4-80-8 тепло от элементов отводится через керамический изолятор и металлическое основание.
Применяется МДТ4-80-8 в выпрямительных мостах, в регуляторах переменного тока, для управления двигателем постоянного тока, электротехнической аппаратуре.

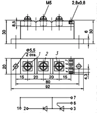
Параметры и характеристики силового модуля МДТ4-80-8:


МДТ4-80-8
Модуль диодно-тиристорный низкочастотный.
Предназначен для работы в цепях переменного и постоянного тока различных силовых электротехнических установок при  частоте до 500 Гц.
Максимально допустимый средний прямой ток - 80А
Повторяющееся импульсное обратное напряжение - 800В
Длина - 92 мм
Ширина - 20 мм
Высота - 30 мм
Масса модуля - 200 г.



Варианты поиска:
МДТ4-80-8 силовой модуль, силовой модуль МДТ4-80-8, купить МДТ4-80-8 по низкой цене, МДТ4-80-8 цена, описание МДТ4-80-8, МДТ4-80-8
Добавить отзыв
Ваша оценка:
Отправить отзыв

Похожие товары (8)

1 000 руб. / шт Цена не является конечной и требует уточнения у менеджера.
МДТ4-80-8 силовой модуль
Задать вопрос

Ваше имя*
Контактный телефон*
E-mail
Вопрос*

* - Поля, обязательные для заполнения

Сообщение отправлено
Ваше сообщение успешно отправлено. В ближайшее время с Вами свяжется наш специалист
Закрыть окно
Купить в один клик
Заполните данные для заказа
Запросить стоимость товара
Заполните данные для запроса цены
Запросить цену Запросить цену